CRU-500Kg傳感器,韓國Bongshin CRU-500Kg稱重傳感器

英文名稱:韓國Bongshin load cell
中文名稱:韓國奉信稱重傳感器
產品型號:CRU-500Kg稱重傳感器
產品價格:在線詢價
產品特點:
l 柱式稱重傳感器
l 合金鋼材質,緊致密封
l 性能穩(wěn)定,使用方便
l 保護等級為IP67,具有較好的防水防濕功能
l 量程可選:200,300,500kg,1,2,3,5,10,20t
l 應用:適用于惡劣的工業(yè)環(huán)境,是軌道衡、汽車衡、軸重秤的理想選擇。
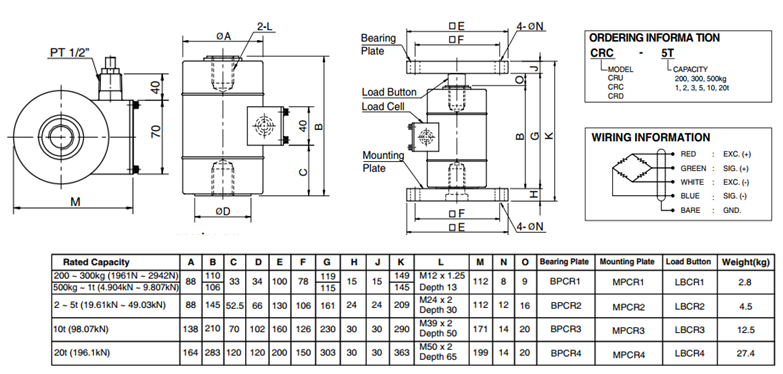
韓國Bongshin CRU-500Kg產品技術參數
|
參數 |
單位 |
值 |
||
|
型號 |
|
CRU |
CRC |
CRD |
|
額定量程 |
|
200,300,500kg,1,2,3,5,10,20t |
||
|
靈敏度 |
mv/v |
3.0±0.1 |
3.0±0.2 |
|
|
非線性 |
%R.O |
≤ 0.02 |
≤ 0.05 |
≤ 0.1 |
|
滯后 |
%R.O |
≤ 0.02 |
≤ 0.1 |
|
|
不可重復性 |
%R.O |
≤ ±0.02 |
≤ 0.1 |
|
|
蠕變(20分鐘) |
%R.O |
≤ ±0.02 |
≤ 0.1 |
|
|
零點平衡 |
%R.O |
≤ ±0.1 |
||
|
工作溫度范圍 |
°C |
-10 to + 70 |
||
|
溫度補償范圍 |
°C |
-20 to + 80 |
||
|
靈敏度溫漂 |
%Load/ ?C |
≤0.03 |
≤0.05 |
|
|
零點溫漂 |
%R.O./ ?C |
≤0.03 |
≤0.05 |
|
|
輸入阻抗 |
Ohms |
350 ± 3.5 |
||
|
輸出阻抗 |
Ohms |
350 ± 5 |
||
|
絕緣阻抗 |
Mega-Ohms |
5000 M ohm |
2000 M ohm |
|
|
推薦激勵電壓 |
VDC/VAC |
10 |
||
|
最大激勵電壓 |
VDC/VAC |
15 |
||
|
導線長度 |
m |
? 9mmx5m(22AWG x 4Core Shielded) |
||
|
防護等級 |
|
IP67 |
||
|
安全過載 |
% |
150% |
||
|
極限過載 |
% |
300% |
||
韓國Bongshin CRU-500Kg產品尺寸圖

CRU-500Kg稱重傳感器是我公司的優(yōu)勢產品之一,如你對韓國Bongshin稱重傳感器CRU-500Kg產品資料,韓國奉信稱重傳感器CRU-500Kg價格有任何不明處,需要了解韓國Bongshin稱重傳感器CRU-500Kg pdf參數資料可與我司工程師取得了聯(lián)系,我們將第一時間為您解決,提供更好的解決方案!
韓國Bongshin CRU系列型號:
CRU-200KG稱重傳感器 CRU-300KG稱重傳感器
CRU-500KG稱重傳感器 CRU-1T稱重傳感器
CRU-2T稱重傳感器 CRU-3T稱重傳感器
CRU-5T稱重傳感器 CRU-10T稱重傳感器
CRU-20T稱重傳感器
韓國Bongshin其他同類產品推薦:
上一篇:
CRD-20T韓國Bongshin,奉信CRD-20T稱重傳感器 下一篇:CSCK-30T韓國Bongshin,奉信CSCK-30T稱重傳感器
版權所有:廣州洋奕電子科技有限公司 Copyright© 2012-2018 粵ICP備15043380號
:020-81969785
:020-81214035
:15017597317
:廣州市荔灣區(qū)中山八路5號隆城大廈