德国Burster Model 8526力传感器

产品品牌:德国Burster
产品型号:Model 8526力传感器
产品价格:在线询价
产品特点:
l 力传感器
l 测量范围从0…100 N 0…200 kN
l 体积小巧,测量范围大,IP64防护等级
l 不锈钢材质,密封焊接
l 用于测量静态和动态压缩力,比如:制造夹具和专用机、设备制造等
德国Burster Model 8526产品技术参数:
≤ 0 ... 1 kN量程最大激励电压: 5 V DC
≥ 0 ... 2 kN量程最大激励电压: 10 V DC
0 ... 1 kN量程灵敏度:1 mV/V ± 0.25 %
0 ... 2 kN量程灵敏度:1 mV/V ± 0.5 %
校准电阻:100 KΩ±0.1%,模型1148-6080
工作温度:- 20 °C ... +100 °C
温度补偿:+15 °C ... + 70 °C
温度对零度的影响:≤ ± 0.02 % F.S./K
温度对灵敏度的影响:≤ + 0.03 % Rdg./K
综合误差:0 ... 1 kN ≤ 0.25 % F.S.
综合误差:0 ... 2 kN ≤ 0.5 % F.S.
安全过载:150%
动态性能:建议50%的容量,允许70%的容量
材质:高档不锈钢1.4542
防护等级:IP64 符合 EN 60529
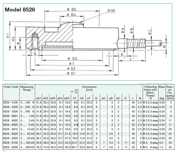
德国Burster Model 8526产品结构尺寸:

德国Burster Model 8526完整型号推荐:
8526-5100 0-100N
8526-5200 0-200N
8526-5500 0-500N
8526-6001 0-1KN
8526-6002 0-2KN
8526-6005 0-5KN
8526-6010 0-10KN
8526-6020 0-20KN
8526-6050 0-50KN
8526-6100 0-100KN
8526-6200 0-200KN
如果您对德国Burster Model 8526力传感器的接线、图片、参数、厂家、型号、量程、尺寸、安装使用有任何疑问,请联系【广州洋奕电子】王经理了解详情,欢迎拨打全国统一服务热线:020-81969785